Napomena
Ovo poglavlje zbog različitih nacionalnih propisa nije primjenjivo za Njemačku i Švicarsku. Za dodatne informacije obratite se odjelu za tehnologiju proizvoda u dotičnim zemljama!
Pričvršćenje fiksnim i kliznim učvršćivačima izvodi se prema statičkim potrebama. Nacionalne norme i pravila struke mogu predviđati drugačije zahtjeve i moraju se uzimati u obzir. U sljedećim tablicama možete pronaći najmanji broj učvršćivača [kom./m²] koji ovisi o kategoriji terena, visini zgrade i osnovnoj brzini vjetra.
Kod navedenih minimalnih brojeva učvršćivača uzet je u obzir djelomični sigurnosni koeficijent od 1,35 i treba ih shvatiti kao teoretski određene vrijednosti. R = rubno područje (koeficijent vanjskog tlaka cpe = -2,9), N = normalno područje (koeficijent vanjskog tlaka = -1,3).
Kategorija terena II
Tlak osnovne brzine [kN/m²] |
Osnovna brzina [m/sec] |
Visina zgrade < 15 [m] |
Visina zgrade 15-30 [m] |
Visina zgrade 30-50 [m] |
N | R [kom./m²] |
N | R [kom./m²] |
N | R [kom./m²] |
||
≤ 0,32 |
≤ 22,5 |
3,7 | 8,2 |
4,3 | 9,7 |
4,9 | 10,9 |
≤ 0,39 |
≤ 25,0 |
4,5 | 10,0 |
5,3 | 11,8 |
6,0 | 13,3 |
≤ 0,47 |
≤ 27,5 |
5,4 | 12,0 |
6,4 | 14,2 |
7,2 | 16,1 |
≤ 0,56 |
≤ 30,0 |
6,4 | 14,3 |
7,6 | 16,9 |
8,6 | 19,1 |
Kategorija terena III
Tlak osnovne brzine [kN/m²] |
Osnovna brzina [m/sec] |
Visina zgrade < 15 [m] |
Visina zgrade 15-30 [m] |
Visina zgrade 30-50 [m] |
N | R [kom./m²] |
N | R [kom./m²] |
N | R [kom./m²] |
||
≤ 0,32 |
≤ 22,5 |
3,1 | 7,0 |
3,8 | 8,5 |
4,4 | 9,9 |
≤ 0,39 |
≤ 25,0 |
3,8 | 8,5 |
4,7 | 10,4 |
5,4 | 12,0 |
≤ 0,47 |
≤ 27,5 |
4,6 | 10,2 |
5,6 | 12,5 |
6,5 | 14,5 |
≤ 0,56 |
≤ 30,0 |
5,5 | 12,2 |
6,7 | 14,9 |
7,7 | 17,3 |
Kategorija terena IV
Tlak osnovne brzine [kN/m²] |
Osnovna brzina [m/sec] |
Visina zgrade < 15 [m] |
Visina zgrade 15-30 [m] |
Visina zgrade 30-50 [m] |
N | R [kom./m²] |
N | R [kom./m²] |
N | R [kom./m²] |
||
≤ 0,32 |
≤ 22,5 |
2,2 | 5,0 |
2,9 | 6,4 |
3,5 | 7,8 |
≤ 0,39 |
≤ 25,0 |
2,7 | 6,0 |
3,5 | 7,9 |
4,3 | 9,5 |
≤ 0,47 |
≤ 27,5 |
3,3 | 7,3 |
4,2 | 9,5 |
5,2 | 11,5 |
≤ 0,56 |
≤ 30,0 |
3,9 | 8,7 |
5,1 | 11,3 |
6,1 | 13,7 |
Kod navedenih minimalnih brojeva učvršćivača uzet je u obzir djelomični sigurnosni koeficijent od 1,35 i treba ih shvatiti kao teoretski određene vrijednosti. R = rubno područje (koeficijent vanjskog tlaka cpe = -2,9), N = normalno područje (koeficijent vanjskog tlaka = -1,3).
Kategorija terena II
Tlak osnovne brzine [kN/m²] |
Osnovna brzina [m/sec] |
Visina zgrade < 15 [m] |
Visina zgrade 15-30 [m] |
Visina zgrade 30-50 [m] |
N | R [kom./m²] |
N | R [kom./m²] |
N | R [kom./m²] |
||
≤ 0,32 |
≤ 22,5 |
4,2 | 9,3 |
4,9 | 10,9 |
5,5 | 12,4 |
≤ 0,39 |
≤ 25,0 |
5,1 | 11,3 |
6,0 | 13,3 |
6,8 | 15,1 |
≤ 0,47 |
≤ 27,5 |
6,1 | 13,6 |
7,2 | 16,1 |
8,1 | 18,2 |
≤ 0,56 |
≤ 30,0 |
7,3 | 16,2 |
8,6 | 19,1 |
9,7 | 21,6 |
Kategorija terena III
Tlak osnovne brzine [kN/m²] |
Osnovna brzina [m/sec] |
Visina zgrade < 15 [m] |
Visina zgrade 15-30 [m] |
Visina zgrade 30-50 [m] |
N | R [kom./m²] |
N | R [kom./m²] |
N | R [kom./m²] |
||
≤ 0,32 |
≤ 22,5 |
3,5 | 7,9 |
4,3 | 9,6 |
5,0 | 11,2 |
≤ 0,39 |
≤ 25,0 |
4,3 | 9,6 |
5,3 | 11,7 |
6,1 | 13,6 |
≤ 0,47 |
≤ 27,5 |
5,2 | 11,6 |
6,3 | 14,1 |
7,4 | 16,4 |
≤ 0,56 |
≤ 30,0 |
6,2 | 13,8 |
7,6 | 16,9 |
8,8 | 19,5 |
Kategorija terena IV
Tlak osnovne brzine [kN/m²] |
Osnovna brzina [m/sec] |
Visina zgrade < 15 [m] |
Visina zgrade 15-30 [m] |
Visina zgrade 30-50 [m] |
N | R [kom./m²] |
N | R [kom./m²] |
N | R [kom./m²] |
||
≤ 0,32 |
≤ 22,5 |
2,5 | 5,6 |
3,3 | 7,3 |
4,0 | 8,9 |
≤ 0,39 |
≤ 25,0 |
3,1 | 6,8 |
4,0 | 8,9 |
4,8 | 10,8 |
≤ 0,47 |
≤ 27,5 |
3,7 | 8,2 |
4,8 | 10,7 |
5,8 | 13,0 |
≤ 0,56 |
≤ 30,0 |
4,4 | 9,8 |
5,7 | 12,8 |
6,9 | 15,5 |
Napomena
Razmak između učvršćivača ne smije prelaziti vrijednosti od 330 mm na području fiksnog učvršćivača i 500 mm na području kliznog učvršćivača. U području naprava pričvršćenih na falceve (zaštita od snijega, PV-potkonstrukcija, sigurnost krova) razmak između učvršćivača ne smije prelaziti 330 mm!
Računanje razmaka između učvršćivača na temelju širine traka i potreban broj učvršćivača/m².
100 : (Širina traka [m] × broj učvršćivača [kom./m²]) = razmak između učvršćivača [cm] [maks. razmak između učvršćivača 50 cm, maks. razmak između fiksnih učvršćivača 33 cm]
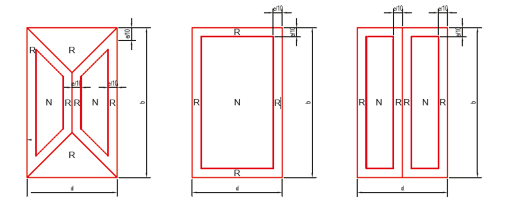
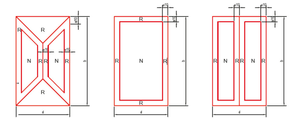
Napomena:
e = b ili 2*h (manja vrijednost je mjerodavna) – razmak se odnosi na temeljnu površinu
ed = dimenzija razmaka za površini krova; ed= (e/10) / (cos)
b = najveća širina zgrade
h = najveća visina zgrade
a = nagib krova
Primjer
Lokacija |
Innsbruck |
|---|---|
Zgrade u kategoriji terena |
II |
Najveća visina zgrade |
10,5 m |
Osnovna brzina |
27,1 m /sek |
Maks. Širina trake prema Tablici 1 |
43 cm |
Broj učvršćivača za rubno područje prema Tablici 2 |
12,0 kom./m² |
Broj učvršćivača za normalno područje prema Tablici 2 |
5,4 kom./m² |
Rubno područje (R) = 100 : (0,43 m × 12,0 kom./m²) = 19,4 cm → 19 cm razmaka između učvršćivača [maks. razmak između učvršćivača 50 cm, maks. razmak između fiksnih učvršćivača 33 cm]
Normalno područje (N) = 100 : (0,43 m × 5,4 kom./m²) = 43,1 cm → 43 i 33 cm razmaka između učvršćivača [maks. razmak između učvršćivača 50 cm, maks. razmak između fiksnih učvršćivača 33 cm]
Možete preuzeti sadržaj samo iz jedne kategorije proizvoda istovremeno. Ako vam je potreban sadržaj iz više kategorija, stvorite zasebno preuzimanje za svaku kategoriju proizvoda.